 |
|
 |
| 2X-4C |
2X-8D |
2X-15A |
 |
|
 |
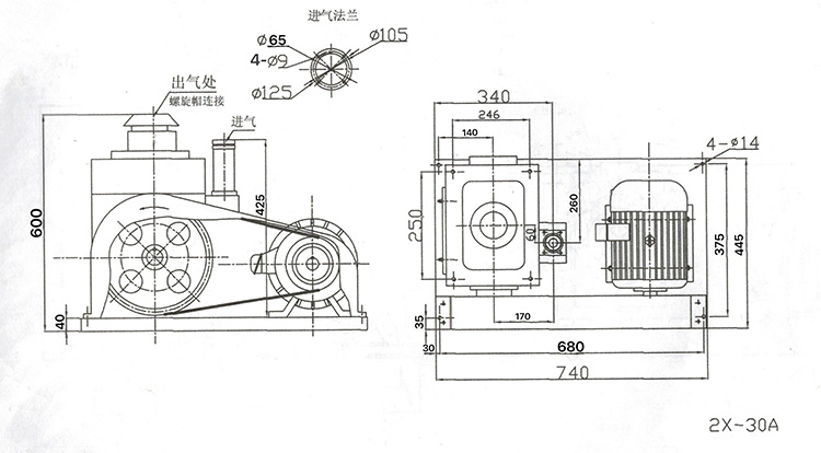
| 2X-30A |
2X-70C
|
2X-100
|
 |
 |
 |
| 2X-100T |
2XZ |
2XZ-B |
用途及特点:
1.可直接从大气压起动抽气
2.可单独作低真空泵用,也可与其它高真空泵组合作前级泵用。
3.本系列产品广泛应用于冶金、化工、轻工、医药、电子与半导体工业。
4.该泵不可用来抽含氧过高的、有毒的,易爆的或与泵油发生化学作用的气体,也不可当作压缩机或传输泵使用。
5.XD型单级真空泵为轻工业、食品工业、精细化工及吸塑产品所必需设备之一。 |
技术参数
| 型号 |
2X-2C |
2X-4C |
2X-8D |
2X-8A |
2X-15A |
2X-30A |
2X-70C |
2X-100T |
2X-100 |
| 抽气速率(L/s) |
2 |
4 |
8 |
8 |
15 |
30 |
70 |
100 |
100 |
极限压力
(不掺气) |
分压力(Pa) |
6×10-2 |
| 总压力(Pa) |
≤2.5 |
| 电机功率(kw) |
0.37 |
0.55 |
1.1 |
1.1 |
2.2 |
3 |
5.5 |
7.5 |
7.5 |
| 进气口径(mm) |
25 |
25 |
40 |
40 |
40 |
65 |
80 |
95 |
80 |
| 主轴转速(rpm) |
700 |
700 |
410 |
320 |
320 |
450 |
420 |
550 |
550 |
| 冷却方式 |
自然冷却 |
水冷 |
特点和用途(2XZ,2XZ-B)
|
| (1)双级高速直联结构旋片真空泵 |
| (2)带有气镇阀装置,防止泵油混水,延长泵使用时间 |
| (3)体积小,重量轻,噪音低,起动方便 |
| (4)防返油,防漏油,保护环境清洁 |
| (5)该泵可单独作为抽气使用,也可作为增压泵,扩散泵,分子泵等的前级泵,维持泵,钛泵的预抽泵使用 |
| (6)用于电真空器件制造,医疗分析仪器,尤其是溴化锂,空调,冰臬等制冷行业 |
|
技术参数(2XZ,2XZ-B)
|
机组型号
Model |
极限压力
Ultimate Pressure
分压力
Partial
Pressure
(pa) |
总压力
Total Pressure
(pa) |
抽气速率
Pumping Speed
(L/S) |
进气口径
Inlet Dian
(mm) |
最高工作温度
Operating temperature
(℃) |
噪音
Noise
level
(dB) |
泵转速
Nominal
speed
r/min |
配用功率
Motor Power
(kw) |
重量
Weight
kg
|
| 2XZ-0.5 |
6*10-2 |
≤2.5 |
0.5 |
15 |
70 |
≤60 |
1400 |
0.18 |
15 |
| 2XZ-1 |
1 |
15 |
70 |
≤60 |
1400 |
0.25 |
17 |
| 2XZ-2B |
2 |
25 |
75 |
≤70 |
1400 |
0.37 |
21 |
| 2XZ-4B |
4 |
25 |
80 |
≤70 |
1400 |
0.55 |
25 |
| 2XZ-6B |
6 |
25 |
80 |
≤70 |
1400 |
0.75 |
40 |
| 2XZ-8B |
8 |
40 |
85 |
≤70 |
1400 |
1.1 |
70 |
| 2XZ-15B |
15 |
40 |
85 |
≤70 |
1400 |
1.5 |
80 |
| 2XZ-25B |
25 |
50 |
85 |
≤75 |
1400 |
3 |
94 |
|
|